sábado, 20 de septiembre de 2014

INFORME SEPTIEMBRE MK 2012B Pedro López Martínez



 TRANSISTORES Y AMPLIFICADORES OPERACIONALES

OBJETIVO
El objetivo de este informe es tener más conocimiento acerca de dispositivos electrónicos y su funcionamiento tanto interno como aplicado en un sistema.
Asi como también el modo de construcción para sus diferentes aplicaciones y usos que se le puedan dar a los dispositivos.
INTRODUCCION
En el amplificador El primer amplificador electrónico fue construido en 1906 por el inventor estaunidense Lee De Forest con ayuda de la primera versión de su invento: el audión. Pero fue en 1908 cuando De Forest inventó el triodo, al intentar descubrir un método para amplificar las ondas y al mismo tiempo, controlar el volumen del sonido. Dobló una fina tira de alambre de platino, a la que denominó "rejilla", nombre que perduró en las válvulas posteriores y la colocó entre el filamento y la placa. Después encerró todo el aparato en una bombilla de cristal.

TRANSISTORES 

Materiales
Un transistor consiste en un sándwich de tres capas de silicio especialmente tratado que se presionan juntas, con diminutos cables conectados a cada capa. Un recipiente interior de plástico rodea y protege al delicado silicio del daño y la contaminación. Un recipiente exterior, hecho de plástico o metal, sostiene el recipiente interior y tres conductores. Cada derivación se conecta a uno de los pequeños cables en el interior del transistor, sirviendo así como soportes resistentes para el dispositivo.


Polaridad
Las dos capas de silicio exteriores contienen trazas de impurezas llamadas dopantes que causan que el silicio prefiera cargas eléctricas negativas. La capa interna prefiere cargas positivas. El orden de las capas, negativo-positivo-negativo, le da su nombre al transistor. El otro orden, positivo-negativo-positivo, se obtiene en un transistor PNP. La polaridad de estos elementos dictamina cómo y donde funciona en un circuito.

Usos

Los transistores tienen dos funciones básicas en circuitos electrónicos: conmutación y amplificación. Como un interruptor, un transistor puede convertir una gran cantidad de corriente dentro y fuera de un pequeña corriente que lo controla. Un interruptor mecánico también puede hacerlo, pero el transistor puede cambiar a velocidades de hasta varios miles de millones de veces por segundo y hacerlo de forma silenciosa y sin fricción o desgaste. La acción de amplificación de un transistor también controla grandes corrientes con otras pequeñas, en este caso, funciona en un rango de corrientes. Su capacidad para controlar de manera confiable es de fundamental importancia para el.

El transistor de unión bipolar  es un dispositivo electrónico de estado sólido consistente en dos uniones PN muy cercanas entre sí, que permite controlar el paso de la corriente a través de sus terminales. Los transistores bipolares se usan generalmente en electrónica analógica. También en algunas aplicaciones de electrónica digital. Un transistor de unión bipolar está formado por dos Uniones PN en un solo cristal semiconductor, separados por una región muy estrecha. De esta manera quedan formadas tres regiones:

· Emisor, que se diferencia de las otras dos por estar fuertemente dopada, comportándose como un metal. Su nombre se debe a que esta terminal funciona como emisor de portadores de carga.
· Base, la intermedia, muy estrecha, que separa el emisor del colector.
· Colector, de extensión mucho mayor.

Los transistores de tipo NPN aquellos que tienen mas N en su nombre, esto quiere decir que utilizan "partículas" subatómicas de signo Negativo para transportar la corriente.

Y que los de tipo PNP, es decir, aquellos con mas P en su nombre, por lo que utilizan "partículas" subatómicas de signo Positivo para transportar la corriente.
Esta diferencia es importante porque la forma de conectar estos transistores difiere dependiendo de si son de tipo NPN o PNP, debido a que la cuestión de los signos de voltaje de entrada difiere dependiendo de con cual transistor te encuentras trabajando. Otra diferencia que podemos manejar es el material con el que están elaborados ya que generalmente los PNP se construyen con Germanio mientras los NPN mas comúnmente son construidos con Silicio.

TRANSISTORES PNP

Un tipo de transistor de unión bipolar es el PNP con las letras "P" y "N" refiriéndose a las cargas mayoritarias dentro de las diferentes regiones del transistor. Pocos transistores usados hoy en día son PNP, debido a que el NPN brinda mucho mejor desempeño en la mayoría de las circunstancias.
Los transistores PNP consisten en una capa de material semiconductor dopado N entre dos capas de material dopado P. Los transistores PNP son comúnmente operados con el colector a masa y el emisor conectado al terminal positivo de la fuente de alimentación a través de una carga eléctrica externa. Una pequeña corriente circulando desde la base permite que una corriente mucho mayor circule desde el emisor hacia el colector.
La flecha en el transistor PNP está en el terminal del emisor y apunta en la dirección en que la corriente convencional circula cuando el dispositivo está en funcionamiento activo (esto en cuanto a su simbología).

TRANSISTORES NPN

NPN es uno de los dos tipos de transistores bipolares, en los cuales las letras "N" y "P" se refieren a los portadores de carga mayoritarios dentro de las diferentes regiones del transistor. La mayoría de los transistores bipolares usados hoy en día son NPN, debido a que la movilidad del electrón es mayor que la movilidad de los "huecos" en los semiconductores, permitiendo mayores corrientes y velocidades de operación.
Los transistores NPN consisten en una capa de material semiconductor dopado P (la "base") entre dos capas de material dopado N. Una pequeña corriente ingresando a la base en configuración emisor-común es amplificada en la salida del colector.
La flecha en el símbolo del transistor NPN está en la terminal del emisor y apunta en la dirección en la que la corriente convencional circula cuando el dispositivo está en funcionamiento activo.

TRANSISTOR EN CORTE Y SATURACION
El funcionamiento del transistor depende de la cantidad de corriente que pase por su base
                    Cuando no pasa corriente por la base, no puede pasar tampoco por sus otros terminales.
Se dice entonces que el transistor está en corte, es como si se tratara de un interruptor abierto.
El transistor está en saturación cuando la corriente en la base es muy alta; en ese caso se permite la circulación de corriente entre el colector y el emisor y el transistor se comporta como si fuera un interruptor cerrado
El transistor trabaja en conmutación cuando puede pasar de corte a saturación según la cantidad de corriente que reciba por su base.

El transistor como amplificador
 
Un amplificador será tanto mejor cuanto mayor sea su ganancia y menor sea su impedancia de entrada y salida.
En cuanto a la frecuencia, los amplificadores dependen de esta, de forma que lo que es válido para un margen de frecuencias no tiene porqué serlo necesariamente para otro. De todas formas, en todo amplificador existe un margen de frecuencias en el que la ganancia permanece prácticamente constante (banda de paso del amplificador). El margen dinámico de un amplificador es la mayor variación simétrica de la señal que es capaz de presentar sin distorsión a la salida; normalmente expresado en voltios de pico (Vp) o Voltios pico-pico (Vpp).

 Ampliacion

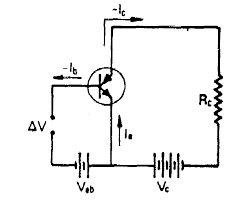
Para comprender el funcionamiento del transistor como amplificador, se partirá del circuito de la figura, en el que el transistor se conecta en la configuración denominada de emisor común.




El generador Veb asegura que la unión base-emisor esté polarizada en sentido directo. Una batería Vc (Vc >> Vbe) proporciona la tensión de polarización inversa a la unión del emisor.
El circuito de entrada, en el que se aplicará la señal que se desea amplificar, es el que contiene a la base y el emisor. El circuito de salida está conectado a las terminales del colector y del emisor. Rc es la resistencia de carga del circuito de salida.
Supondremos que, cuando la tensión de entrada es nula (terminales de entrada cortocircuitadas), las corrientes que circulan por cada terminal son Ie, Ib e I0, con los sentidos indicados en la figura.

A continuación, se calcularán cuales son los incrementos que se producen en dichas intensidades si se modifica ligeramente la tensión Web, aplicando una ddp adicional a la entrada.

En este desarrollo, se admitirá que el incremento de tensión aplicado, es lo suficientemente pequeño para que las variaciones de intensidad que provoca estén relacionadas linealmente con él.

Asimismo, se despreciarán los efectos dinámicos producidos por la aplicación de una diferencia de potencial, aplicada muy lentamente.
Existen varios tipos que dependen de su proceso de construcción y de las apliaciones a las que se destinan. Aquí abajo mostramos una tabla con los tipos de uso más frecuente y su simbología:










Transistor Bipolar de Unión (BJT)



 

Transistor de Efecto de Campo, de Unión (JFET)


  
  Transistor de Efecto de Campo, de Metal-Óxido-                                                 
                  Semiconductor (MOSFET)





                                                Fototransistor


Nota: En un esquema electrónico, los transistores se representan mediante su símbolo, el número de transistor (Q1, Q2, ...) y el tipo de transistor.


Aquí podemos ver una selección de los transistores más típicos, mostrando su encapsulado y distribución de patillas. (Para ver la imagen en grande se puede hacer click sobre ella).
 


Cápsula TO-3. Se utiliza para transistores de gran potencia, que siempre suelen llevar un radiador de aluminio que ayuda a disipar la potencia que se genera en él.
Arriba a la izquierda vemos su distribución de terminales, observando que el colector es el chasis del transistor. Nótese que los otros terminales no están a la misma distancia de los dos agujeros.
A la derecha vemos la forma de colocarlo sobre un radiador, con sus tornillos y la mica aislante. La función de la mica es la de aislante eléctrico y a la vez conductor térmico. De esta forma, el colector del transistor no está en contacto eléctrico con el radiador.
http://www.profesormolina.com.ar/tutoriales/componentes/images/to3_1.gif

http://www.profesormolina.com.ar/tutoriales/componentes/images/to3_2.jpghttp://www.profesormolina.com.ar/tutoriales/componentes/images/to3_3.jpg
Cápsula TO-220. Se utiliza para transistores de menos potencia, para reguladores de tensión en fuentes de alimentación y para tiristores y triacs de baja potencia.
Generalmente necesitan un radiador de aluminio, aunque a veces no es necesario, si la potencia que van a disipar es reducida.
Abajo vemos la forma de colocarle el radiador y el tornillo de sujección. Se suele colocar una mica aislante entre el transistor y el radiador, así como un separador de plástico para el tornillo, ya que la parte metálica está conectada al terminal central y a veces no interesa que entre en contacto eléctrico con el radiador.

http://www.profesormolina.com.ar/tutoriales/componentes/images/to220_2.jpghttp://www.profesormolina.com.ar/tutoriales/componentes/images/to220_1.jpg
http://www.profesormolina.com.ar/tutoriales/componentes/images/to220_3.jpg
Cápsula TO-126. Se utiliza en transistores de potencia reducida, a los que no resulta generalmente necesario colocarles radiador.
Arriba a la izquierda vemos la asignación de terminales de un transistor BJT y de un Tiristor.
Abajo vemos dos transistores que tienen esta cápsula colocados sobre pequeños radiadores de aluminio y fijados con su tornillo correspondiente.
http://www.profesormolina.com.ar/tutoriales/componentes/images/to126_2.jpg
http://www.profesormolina.com.ar/tutoriales/componentes/images/to126_3.jpg

http://www.profesormolina.com.ar/tutoriales/componentes/images/to126_4.jpg

http://www.profesormolina.com.ar/tutoriales/componentes/images/to126_1.jpg
Cápsula TO-92. Es muy utilizada en transistores de pequeña señal.
En el centro vemos la asignación de terminales en algunos modelos de transistores, vistos desde abajo.
Abajo vemos dos transistores de este tipo montados sobre una placa de circuito impreso. Nótese la indicación "TR5" de la serigrafía, que indica que en ese lugar va montado el transistor número 5 del circuito, de acuerdo al esquema eléctrónico.
http://www.profesormolina.com.ar/tutoriales/componentes/images/to92_1.jpg
http://www.profesormolina.com.ar/tutoriales/componentes/images/to92_2.jpg
http://www.profesormolina.com.ar/tutoriales/componentes/images/to92_3.jpg
http://www.profesormolina.com.ar/tutoriales/componentes/images/to92_4.jpg
Cápsula TO-18. Se utiliza en transistores de pequeña señal. Su cuerpo está formado por una carcasa metálica que tiene un saliente que indica el terminal del Emisor.
http://www.profesormolina.com.ar/tutoriales/componentes/images/to18_1.jpg
Cápsula miniatura. Se utiliza en transistores de pequeña señal. Al igual que el anterior, tienen un tamaño bastante pequeño.
http://www.profesormolina.com.ar/tutoriales/componentes/images/to_mini_1.gif




Amplificador operacional


Se trata de un dispositivo electrónico (normalmente se presenta como circuito integrado que tiene dos entradas y una salida. La salida es la diferencia de las dos entradas multiplicada por un factor (G) (ganancia):
Vout = G·(V+ − V) el más conocido y comúnmente aplicado es el UA741 o LM741.
Originalmente los A.O. se empleaban para operaciones matematicas (suma, resta, multiplicacion, division, integracion, derivacion, etc.) en calculadoras analogicas. De ahí su nombre.
El A.O. ideal tiene una ganancia infinita, una impedancia de entrada infinita, un 
ancho de banda también infinito, una impedancia de salida nula, un tiempo de respuesta nulo y ningún ruido. Como la impedancia de entrada es infinita también se dice que las corrientes de entrada son cero.

Notación

El símbolo de un amplificador es el mostrado en la siguiente figura:
http://upload.wikimedia.org/wikipedia/commons/5/56/Opamppinouts.png
Los terminales son:
  • V+: entrada no inversora
  • V-: entrada inversora
  • VOUT: salida
  • VS+: alimentación positiva
  • VS-: alimentación negativa
Los terminales de alimentación pueden recibir diferentes nombres, por ejemplos en los A.O. basados en FET VDD y VSS respectivamente. Para los basados enBJT son VCC y VEE.
Habitualmente los pines de alimentación son omitidos en los diagramas eléctricos por claridad.

 

 Comportamiento en corriente continua (DC)

Lazo abierto

Realimentacion la salida del A. O. será la resta de sus dos entradas multiplicada por un factor. Este factor suele ser del orden de 100.000(que se considerará infinito en cálculos con el componente ideal). Por lo tanto si la diferencia entre las dos tensiones es de 1V la salida debería ser 100.000.000 V. Debido a la limitación que supone no poder entregar más tension de la que hay en la alimentación, el A. O. estará saturado si se da este caso. Esto será aprovechado para su uso en comparadores, como se verá más adelante. Si la tensión más alta es la aplicada a la patilla + (entrada no inversora) la salida será VS+, mientras que si la tensión más alta es la del pin - (entrada inversora) la salida será la alimentación VS-.

Lazo cerrado o realimentado

Se conoce como lazo cerrado a la realimentación en un circuito. Aquí aparece una realimentación negativa. Para conocer el funcionamiento de esta configuración se parte de las tensiones en las dos entradas exactamente iguales, se supone que la tensión en la pata + sube y, por tanto, la tensión en la salida también se eleva. Como existe la realimentación entre la salida y la pata -, la tensión en esta pata también se eleva, por tanto la diferencia entre las dos entradas se reduce, disminuyéndose también la salida. Este proceso pronto se estabiliza, y se tiene que la salida es la necesaria para mantener las dos entradas, idealmente, con el mismo valor.
Siempre que hay realimentación negativa se aplican estas dos aproximaciones para analizar el circuito:
  • V+ = V- (lo que se conoce como principio del cortocircuito virtual).
  • I+ = I- = 0
Cuando se realimenta negativamente un amplificador operacional, al igual que con cualquier circuito amplificador, se mejoran algunas características del mismo como una mayor impedancia en la entrada y una menor impedancia en la salida. La mayor impedancia de entrada da lugar a que la corriente de entrada sea muy pequeña y se reducen así los efectos de las perturbaciones en la señal de entrada. La menor impedancia de salida permite que el amplificador se comporte como una fuente electrica de mejores características. Además, la señal de salida no depende de las variaciones en la ganancia del amplificador, que suele ser muy variable, sino que depende de la ganancia de la red de realimentación, que puede ser mucho más estable con un menor coste. Asimismo, la frecuencia de corte superior es mayor al realimentar, aumentando el ancho de banda.
Asimismo, cuando se realiza realimentación positiva (conectando la salida a la entrada no inversora a través de un cuadripolo determinado) se buscan efectos muy distintos. El más aplicado es obtener un oscilador para generar señales oscilantes.

Comportamiento en corriente alterna (AC)

En principio la ganancia calculada para continua puede ser aplicada para alterna, pero a partir de ciertas frecuencias aparecen limitaciones.

Ganancia (electrónica)

En electrónica, la ganancia, en lo referido a señales eléctricas, es una magnitud que expresa la relación entre la amplitud de una señal de salida respecto a la señal de entrada. Por lo tanto, la ganancia es una magnitud dimensional, que se mide en unidades como belio (símbolo: B) o submúltiplos de éste como el decibelio (símbolo: dB).
Por ejemplo, si la potencia de salida de un amplificador es 40 W (vatios) y la de entrada era de 20 W, la ganancia sería de 10 log (40 W / 20 W) ≈ 3,0103 dB.
Cuando la ganancia es negativa (menor que 0), hablamos de atenuación. Así, en el ejemplo anterior pero al revés: 40 W de entrada, frente 20 W de salida, el resultado sería de -3,0103 dB. No hablaríamos de una ganancia de -3 dB, sino de una atenuacion de 3 dB.


Tipos de ganancia

Aunque la ganancia, como se ha dicho, es adimensional, sin embargo se refiere a cierta magnitud, con lo que tenemos:

Ganancia de potencia

Ganancia en tensión

Ganancia en corriente

Además existen ganancias "especiales" para determinados componentes:
  • Ganancia de antena. Es la relación entre la potencia entregada por la antena y la potencia que entregaría una antena isotropica.
  • Ganancia de conversión. En el caso de mezcladores, determina la potencia de salida, a la frecuencia 2, dividida por la potencia de entrada, a frecuencia 1.
  • Ganancia de transducción. Es la relación entre la potencia de una magnitud de entrada, por ejemplo: presión, y la potencia eléctrica entregada.

Impedancia

La impedancia (Z) es la medida de oposición que presenta un circuito a una corriente cuando se aplica un voltaje. La impedancia extiende el concepto de resistencia a los circuitos de corriente alterna (CA), y posee tanto en magnitud y fase, a diferencia de la resistencia, que sólo tiene magnitud. Cuando un circuito es accionado con corriente continua (CC), no hay distinción entre la impedancia y la resistencia; este último puede ser pensado como la impedancia con ángulo de fase cero.
Es una magnitud que establece la relación (cociente) entre la tension y la intensidad de corriente. Tiene especial importancia si la corriente varía en el tiempo, en cuyo caso, ésta, el voltaje y la propia impedancia se describen con números complejos o funciones del análisis armónico. Su módulo (a veces inadecuadamente llamado impedancia) establece la relación entre los valores máximos o los valores eficaces del voltaje y de la corriente. La parte real de la impedancia es la resistencia y su parte imaginaria es la reactancia. El concepto de impedancia generaliza la ley de Ohm en el estudio de circuitos en corriente alterna (AC).
El término fue acuñado por Oliver heaviside en 1886. En general, la solución para las corrientes y las tensiones de un circuito formado por resistencias, condensadores e inductancias y sin ningún componente de comportamiento no lineal, son soluciones de ecuaciones difereciales Pero, cuando todos los generadores de voltaje y de corriente tienen la misma frecuencia constante y sus amplitudes son constantes, las soluciones en estado estacionario (cuando todos los fenómenos transitorios han desaparecido) son sinusoidales y todos los voltajes y corrientes tienen la misma frecuencia que los generadores y amplitud constante. La fase, sin embargo, se verá afectada por la parte compleja (reactancia) de la impedancia.
El formalismo de las impedancias consiste en unas pocas reglas que permiten calcular circuitos que contienen elementos resistivos, inductivos o capacitivos de manera similar al cálculo de circuitos resistivos en corriente continua. Esas reglas sólo son válidas en los casos siguientes:
  • En régimen permanente con corriente alterna sinusoidal. Es decir, que todos los generadores de tensión y de corriente son sinusoidales y de la misma frecuencia, y que todos los fenómenos transitorios que pueden ocurrir al comienzo de la conexión se han atenuado y desaparecido completamente.
  • Si todos los componentes son lineales. Es decir, componentes o circuitos en los cuales la amplitud (o el valor eficaz) de la corriente es estrictamente proporcional a la tensión aplicada. Se excluyen los componentes no lineales como los diodos. Si el circuito contiene inductancias con núcleo ferromagnetico (que no son lineales), los resultados de los cálculos sólo podrán ser aproximados y eso, a condición de respetar la zona de trabajo de las inductancias.
Cuando todos los generadores no tienen la misma frecuencia o si las señales no son sinusoidales, se puede descomponer el cálculo en varias etapas en cada una de las cuales se puede utilizar el formalismo de impedancias

Definición

Sea un componente eléctrico o electronico o un circuito alimentado por una corriente sinusoidal . Si el voltaje a sus extremos es , la impedancia del circuito o del componente se define como un numero complejo cuyo módulo es el cociente y cuyo argumento es \scriptstyle{\varphi} \,\!.


Es la oposición total (Resistencia, Reactancia inductiva, Reactancia capacitiva) sobre la corriente
Como el voltaje y las corrientes son sinusoidales, se pueden utilizar los valores pico (amplitudes), losvalores eficaces, los valores pico a pico o los valores medios. Pero hay que cuidar de tratarlos uniformemente y no mezclar los tipos. El resultado de los cálculos será del mismo tipo que el utilizado para los generadores de voltaje o de corriente.

Impedancia

La impedancia puede representarse como la suma de una parte real y una parte imaginaria:

 
Z= R+jX


es la parte resistiva o real de la impedancia y \scriptstyle{X} es la parte reactiva o imaginaria de la impedancia. Básicamente hay dos clases o tipos de reactancias:


  • Reactancia inductiva o XL: Debida a la existencia de inductores.
  • Reactancia capacitiva o XC: Debida a la existencia de capacitores.
 

Inversor

Un Opamp Inversor invierte la señal de entrada y le da una ganancia de acuerdo al valor que tomen RF y R1, la ganancia puede ser menor que uno, igual a uno o mayor que uno. ¡¡¡¡OJO!!!! La señal de entrada se invierte, no se desfasa 180 grados. Presenta una impedancia de entrada  igual a R1, es decir presenta una muy mala impedancia de entrada comparado con un Opamp seguidor o con un Opamp no inversor. La impedancia de salida es pequeña (por el orden de milis de Ohm), que garantiza que la totalidad  de la señal de salida quede en la carga (RL).
Para balancear el circuito (Eliminar corriente de Bias), basta con poner una resistencia de valor igual al paralelo entre RF y R1 en el pin no inversor. Esta resistencia no afecta  el análisis del Opamp no inversor.




No inversor


Un Opamp no inversor como su nombre lo dice no invierte la señal de salida, presenta una ganancia mayor o igual que uno, de acuerdo al valor que tomen las resistencias RF y R1. La impedancia de entrada es alta (por el orden de Megas de Ohm o mas), con lo que se garantiza una baja potencia de entrada y la no distorsión de la señal de entrada.  Tiene una baja impedancia de salida (por el orden de milis de Omh o menos), con lo cual se asegura que la totalidad de la señal de salida caerá en la RL.
Para balancear el circuito (Eliminar la corriente de Bias), basta con colocar una resistencia en serie a la entrada de valor igual al paralelo de RF y R1. Esta resistencia no afecta el análisis del Opamp no inversor.
 


https://encrypted-tbn0.gstatic.com/images?q=tbn:ANd9GcQnlMNGT5fYv4HTz-9l7I1lkaHUrI2cInSfWsk067ptlvdQ1UN5Ng
 

Amplificadores operacionales.

Estos circuitos integrados lograron un gran salto en la electrónica, ya que abrieron muchas posibilidades en el diseño de equipos de audio, comparadores de voltaje, etc. aunque al principio se diseñaron pensando en otros usos (Calculadoras analógicas).


Los amplificadores operacionales de uso general están formados por muchos transistores,
algunos utilizan JFETs o MOSFETs y hay amplificadores operacionales fabricados completamente con la tecnología CMOS   como LinCMOS ® (Marca registrada de Texas Instruments).

Los operacionales más comunes son JRC4558, MC1458, LM358, LM341.
También con entrada a JFET el LF351 y el circuito operacional de precisión OPA227.
Un ejemplo de operacional que utiliza la tecnología LinCMOS ® es el TLC274.
El CA3140 utiliza entrada a MOSFET. (No lo he utilizado, hoja de datos aquí: CA3140.).

No todos son iguales, y por ello debemos conocer sus características antes de escoger alguno para nuestro proyecto.
Por ejemplo el 4558 se utiliza mucho en audio y su relación de ganancia contra ruido es más que aceptable, pero como comparador de voltaje no es recomendable, y si es para amplificar milivoltios de celdas de carga (romanas electrónicas) o termocuplas son la peor elección, pero hay amplificadores operacionales especiales para ello como el OPA227 y el OP77


Amplificadores operacionales con audio:

La mayoría de amplificadores operacionales trabajan bien con sonido, es muy utilizado el JRC4558, que son dos operacionales en un chip de 8 patillas, similar al LM358. También se utiliza el LM348 de 4 operacionales en un chip con 14 patillas similar al LM324.
Y además de las presentaciones con solo un operacional que tiene ajuste de "offset" como el LM741

Los circuitos integrados 4558, LM348, LF353, TL082 y el LM741 funcionan mejor con fuente dual de ±15 voltios. (30V de punta a punta.)
Siendo más versátiles en la alimentación los circuitos integrados LM358 y LM324, que pueden operar en voltajes más bajos y en fuente simple sin perder su desempeño habitual.

El LM741 cuenta con ajuste de "offset" que en aplicaciones de audio se dejan las patillas libres.

Actualmente existen gran cantidad de amplificadores operacionales que vienen con las mismas conexiones de las patillas ya que es un estándar, y se desarrollan más en versiones de superficie.

 


Amplificadores operacionales con fuente simple:
Cuando se utiliza una fuente simple podemos utilizar los ejemplos siguientes donde se utiliza un divisor de tensión formador por R4 y R5
Se utilizan capacitores electrolíticos para acoplar tanto la entrada como la salida.

Amplificador inversor


amplificador inversor real

Amplificador no inversor


amplificador no inversor real




Este ejemplo fue realizado con un LM358 y una fuente de 9 voltios, el capacitor C4 puede ser de 100µF/16 voltios
y los demás capacitores de 10 voltios o más.

La ganancia se calcula igual que en los diseños teóricos, suponiendo que la impedancia de los capacitores es 0Ω.

Amplificadores operacionales utilizando fuente dual:

La fuente más común en equipos de audio que utilizan amplificadores operacionales como mezcladoras (mixer), ecualizadores profesionales,   crossover, etc. es una fuente doble o dual de ±15 voltios.

Cuando se nos hace confuso pensar en un común (tierra o masa) y una alimentación negativa de -15 voltios, además de la alimentación positiva de +15 voltios.
Podemos pensar que es una fuente de 30 voltios con una derivación central a 15 voltios, que aunque no es la manera correcta nos ayuda a entender estas fuentes.
Fuentes para utilizar con amplificadores operacionales:

La fuente ideal es utilizando un transformador con derivación central, rectificada y regulada con circuitos integrados. 



fuente dual para operacionales


El regulador positivo puede ser LM7815, L7815 o equivalente, y el regulador negativo es LM7915, L7915 o similar. Puede ser necesario conectar capacitores en la alimentación cerca de los amplificadores operacionales para evitar ruidos u oscilaciones.

Si la fuente es de voltaje algo menor, se pueden utilizar reguladores de 12 voltios, la fuente debe dar más de 3 voltios que el voltaje regulado para garantizar estabilidad.

Cuando disponemos de un transformador de 14 voltios sin derivación central podemos utilizar una forma de duplicar el voltaje


fuente con doblador para operacionales 

En la mayoría de equipos de audio se colocan los capacitores electrolíticos de acople en la entrada y salida aún utilizando fuente dual, aunque generalmente no son indispensables. 

Amplicador inversor


  
preamplificador inversor fuente dual












Amplicador no inversor



preamplificador no inversor fuente dual 





Los valores de las resistencias se calculan igual que los ejemplos anteriores.

Los amplificadores operacionales son ideales para construir ecualizadores, cross-over y filtros notch, utilizando filtros activos de audio, pasa bajos, pasa altos y filtros pasabanda.
Que llevan un tratado solo para ellos, que publicaremos en el futuro.

Amplificadores operacionales como comparadores de voltaje:

En muchas ocasiones se utilizan amplificadores operacionales como comparadores de voltaje, que aunque hay circuitos integrados especiales para dicho fin como el LM311 (1 comparador) y el LM339 (4 comparadores), muchas veces utilizamos los operacionales porque cada sección realiza una función diferente, por ejemplo una sección amplifica el voltaje, otra compara y las otras dos como preamplificadores de audio.
Y también que hay operacionales modernos con valores de "offset" muy bajos y elevadísima precisión.
Hay que tomar en cuenta que los circuitos integrados comparadores y los amplificadores operacionales llevan conexiones de patillas diferentes.
Como comparador de voltaje no recomiendo el LM741, LF353, ni 4558.
En circuitos como apagadores con fotoceldas y controles de temperatura con termoresistencias NTC me han funcionado bien el LM324 (KA324) y el LM358. Para equipos de mayor precisión es preferible utilizar operacionales como el OPA227, OP77 o el TLC279.

Un ejemplo de comparador de voltaje:

comparador de voltaje


Cuando el voltaje en la entrada (+) es mayor que la entrada(-) la salida es positiva.

En el ejemplo hay una resistencia (R4) que crea una realimentación positiva como disparador de Schmitt (Schmitt-trigger). 



Amplificadores Operacionales Son dispositivos electrónicos que amplifican señales con una gran ganancia, típicamente del orden de 10^5 ó 10^6 veces. La figura muestra la representación de un operacional, con la entrada inversora (-) y no inversora (+) y en el otro lado se representar la salida. El dispositivo amplificará la diferencia entre ambas entradas.

 Las primeras veces que se utilizaron los amplificadores operacionales fue en los computadores analógicos, hacia mediados del s. XX e implementados con tubos de vacío. Realizaban sumas, diferencias, multiplicación, diferenciación e integración, y todo ello de forma analógica. De aquí se deriva su nombre “amplificador operacional”. Las características principales de un operacional son:

1. La impedancia de entrada es muy alta, del orden de megohms.
 2. La impedancia de salida Zout es muy baja, del orden de 1 ohm
3. Las entradas apenas drenan corriente, por lo que no suponen una carga.
 4. La ganancia es muy alta, del orden de 10^5 y mayor.
5. En lazo cerrado, las entradas inversora y no inversora son prácticamente iguales. 1. Amplificador no inversor Por la característica 5), -vin = vin R1 y R2 forman un divisor de tensión, cuya entrada es vout y la salida del divisor es –vin. O sea: -vin = vin = vout R1 / (R1+R2) Ganancia = Av = vout/vin = 1+R2/R1 La impedancia de entrada Zin es muy elevada, mientras que la impedancia de salida Zout vale unas décimas de ohm. La señal de salida está en fase con la entrada por ser inyectada por la entrada no inversora. 2. Amplificador inversor La entrada no inversora está a tierra, y por la característica 5), A también lo estará. Por tanto, la tensión en R2 vale vout, y la tensión en R1 vale vin, y por tanto la ganancia vale: Av = -vout / vin = -R2 / R1 El signo menos por ser la señal invertida en fase. La impedancia de entrada Zin vale R1, puesto que como dijimos, A está puesto a tierra a efectos prácticos. La impedancia de salida Zout vale una fracción de ohm. Ejemplo: Algunos ejemplos de los amplificadores operacionales son los siguientes:
• Derivador
 • Amplificador de instrumentación
 • Sumador Inversor



Resumen

TRANSISTORES

Materiales
Un transistor consiste en un sándwich de tres capas de silicio especialmente tratado que se presionan juntas, con diminutos cables conectados a cada capa. Un recipiente interior de plástico rodea y protege al delicado silicio del daño y la contaminación. Un recipiente exterior, hecho de plástico o metal, sostiene el recipiente interior y tres conductores. Cada derivación se conecta a uno de los pequeños cables en el interior del transistor, sirviendo así como soportes resistentes para el dispositivo.
Polaridad
Las dos capas de silicio exteriores contienen trazas de impurezas llamadas dopantes que causan que el silicio prefiera cargas eléctricas negativas. La capa interna prefiere cargas positivas. El orden de las capas, negativo-positivo-negativo, le da su nombre al transistor. El otro orden, positivo-negativo-positivo, se obtiene en un transistor PNP. La polaridad de estos elementos dictamina cómo y donde funciona en un circuito.


Usos
Los transistores tienen dos funciones básicas en circuitos electrónicos: conmutación y amplificación. Como un interruptor, un transistor puede convertir una gran cantidad de corriente dentro y fuera de un pequeña corriente que lo controla. Un interruptor mecánico también puede hacerlo, pero el transistor puede cambiar a velocidades de hasta varios miles de millones de veces por segundo y hacerlo de forma silenciosa y sin fricción o desgaste. La acción de amplificación de un transistor también controla grandes corrientes con otras pequeñas, en este caso, funciona en un rango de corrientes. Su capacidad para controlar de manera confiable es de fundamental importancia para el
Los transistores de tipo NPN aquellos que tienen mas N en su nombre, esto quiere decir que utilizan "partículas" subatómicas de signo Negativo para transportar la corriente.

TRANSISTOR EN CORTE Y SATURACION
El funcionamiento del transistor depende de la cantidad de corriente que pase por su base
Cuando no pasa corriente por la base, no puede pasar tampoco por sus otros terminales.
Se dice entonces que el transistor está en corte, es como si se tratara de un interruptor abierto.
El transistor está en saturación cuando la corriente en la base es muy alta; en ese caso se permite la circulación de corriente entre el colector y el emisor y el transistor se comporta como si fuera un interruptor cerrado
El transistor trabaja en conmutación cuando puede pasar de corte a saturación según la cantidad de corriente que reciba por su base.

El transistor como amplificador

Un amplificador será tanto mejor cuanto mayor sea su ganancia y menor sea su impedancia de entrada y salida.


CUESTIONARIO


1.-  ¿Cómo se conforma un transistor?


Un transistor consiste en un sándwich de tres capas de silicio especialmente tratado que se presionan juntas, con diminutos cables conectados a cada capa. Un recipiente interior de plástico rodea y protege al delicado silicio del daño y la contaminación. Un recipiente exterior, hecho de plástico o metal, sostiene el recipiente interior y tres conductores. Cada derivación se conecta a uno de los pequeños cables en el interior del transistor, sirviendo así como soportes resistentes para el dispositivo.

2.-¿Cómo funciona la polaridad en un transistor?


Las dos capas de silicio exteriores contienen trazas de impurezas llamadas dopantes que causan que el silicio prefiera cargas eléctricas negativas. La capa interna prefiere cargas positivas. El orden de las capas, negativo-positivo-negativo, le da su nombre al transistor. El otro orden, positivo-negativo-positivo, se obtiene en un transistor PNP. La polaridad de estos elementos dictamina cómo y donde funciona en un circuito.

3.-¿Qué uso se le puede dar a un transistor?


Los transistores tienen dos funciones básicas en circuitos electrónicos: conmutación y amplificación. Como un interruptor, un transistor puede convertir una gran cantidad de corriente dentro y fuera de un pequeña corriente que lo controla. Un interruptor mecánico también puede hacerlo, pero el transistor puede cambiar a velocidades de hasta varios miles de millones de veces por segundo y hacerlo de forma silenciosa y sin fricción o desgaste. La acción de amplificación de un transistor también controla grandes corrientes con otras pequeñas, en este caso, funciona en un rango de corrientes. Su capacidad para controlar de manera confiable es de fundamental importancia para el.

4.-¿Qué es un transistor de unión bipolar?

El transistor de unión bipolar  es un dispositivo electrónico de estado sólido consistente en dos uniones PN muy cercanas entre sí, que permite controlar el paso de la corriente a través de sus terminales. Los transistores bipolares se usan generalmente en electrónica analógica. También en algunas aplicaciones de electrónica digital. Un transistor de unión bipolar está formado por dos Uniones PN en un solo cristal semiconductor, separados por una región muy estrecha. De esta manera quedan formadas tres regiones

5.-¿Qué regiones usa el transistor de unión bipolar y para que sirven?

· Emisor, que se diferencia de las otras dos por estar fuertemente dopada, comportándose como un metal. Su nombre se debe a que esta terminal funciona como emisor de portadores de carga.
· Base, la intermedia, muy estrecha, que separa el emisor del colector.
· Colector, de extensión mucho mayor.

6.-¿Por qué se les da el nombre NPN y PNP a los tansistores?

Los transistores de tipo NPN aquellos que tienen mas N en su nombre, esto quiere decir que utilizan "partículas" subatómicas de signo Negativo para transportar la corriente.
Y que los de tipo PNP, es decir, aquellos con mas P en su nombre, por lo que utilizan "partículas" subatómicas de signo Positivo para transportar la corriente.
Esta diferencia es importante porque la forma de conectar estos transistores difiere dependiendo de si son de tipo NPN o PNP




7.-¿Cómo se ocupa un transistor como amplificador?

Un amplificador será tanto mejor cuanto mayor sea su ganancia y menor sea su impedancia de entrada y salida.
En cuanto a la frecuencia, los amplificadores dependen de esta, de forma que lo que es válido para un margen de frecuencias no tiene porqué serlo necesariamente para otro. De todas formas, en todo amplificador existe un margen de frecuencias en el que la ganancia permanece prácticamente constante (banda de paso del amplificador). El margen dinámico de un amplificador es la mayor variación simétrica de la señal que es capaz de presentar sin distorsión a la salida; normalmente expresado en voltios de pico



8.-¿Cómo funciona un amplificador operacional?

Se trata de un dispositivo electrónico (normalmente se presenta como circuito integrado) que tiene dos entradas y una salida. La salida es la diferencia de las dos entradas multiplicada por un factor (G)

9.-¿Qué es la impedancia?

La impedancia (Z) es la medida de oposición que presenta un circuito a una corriente cuando se aplica un voltaje. La impedancia extiende el concepto de resistencia a los circuitos de corriente alterna (CA), y posee tanto en magnitud y fase, a diferencia de la resistencia, que sólo tiene magnitud. Cuando un circuito es accionado con coerriente continua (CC), no hay distinción entre la impedancia y la resistencia; este último puede ser pensado como la impedancia con ángulo de fase cero.



10.-¿Qué diferencia hay entre un transistor de corte y saturacion?

El funcionamiento del transistor depende de la cantidad de corriente que pase por su base
                    Cuando no pasa corriente por la base, no puede pasar tampoco por sus otros terminales.
Se dice entonces que el transistor está en corte, es como si se tratara de un interruptor abierto.
El transistor está en saturación cuando la corriente en la base es muy alta; en ese caso se permite la circulación de corriente entre el colector y el emisor y el transistor se comporta como si fuera un interruptor cerrado

Bibliografia

http://www.proyectoelectronico.com/amplificadores-audio/amplificadores-operacionales.html

http://transistores--pnp-npn.wikispaces.com/

http://jamesislive.blogspot.mx/
http://pictureglass-t.blogspot.mx/2012/10/transistores.html
http://thales.cica.es/cadiz2/ecoweb/ed0184/Tema2/2.4.1.htm
http://www.monografias.com/trabajos45/amplificadores-operacionales/amplificadores-operacionales2.shtml

http://electroudi.blogspot.mx/2013/09/el-transistor-de-union-bipolar-bjt.html



https://docs.google.com/document/d/1O5iGRk98fPSJu3IUEzIq9zV12IWyv6aa3JvW6As46D4/edit